Олимпиадный тренинг

Задача . C. Помогите Гному Грише


В Тридевятом царстве — Тридесятом государстве живет один очень необычный обитатель — Дварф (а на Руси — просто Гном) Гракула. Однако необычное имя — не главная его странность (тем более, что местные жители с незапамятных времен кличут его Гномом Гришей). Главные странности состоят в том, что живет Гном Гриша уже более 200 лет, причем живет он в склепе на заброшенном кладбище, и днем его еще никто ни разу не видел. Так же точно, как никто не видел, что Гном Гриша покупает себе еду. Поэтому никто особо не удивился, когда после трагической гибели Змея Горыныча с лугов не перестал пропадать скот — местные жители давно были убеждены, что причина пропаж — совсем не безобидный Горыныч, который давно признавался, что склонен к вегетарианству. Но самое плохое во всей этой истории даже не это.

Самое плохое то, что буквально несколько минут назад Гном Гриша каким-то непостижимым образом оказался у вас дома, и попросил помощи в разрешении одного вопроса. Дело в том, что совсем недавно Гриша решил заказать себе новый гроб (зная его странности, эта новость вас ничуть не удивила). Но вот незадача — в Гришин склеп ведет очень длинный в обоих направлениях Г-образный коридор, через который удастся пронести не любой гроб. Поэтому он и обратился за помощью к вам.

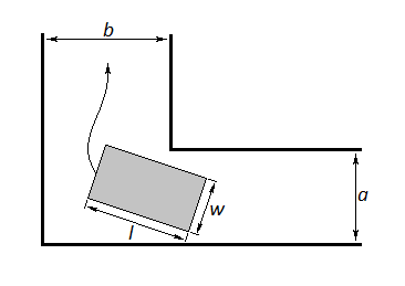
Вы формализовали задачу на плоскости следующим образом: пусть ширина коридора до и после поворота равна соответственно a и b (см. рисунок), коридор поворачивает строго под прямым углом, гроб суть прямоугольник с длиной и шириной соответственно l и w (l ≥ w). Гном Гриша уже определил длину гроба (l), исходя из своего роста, ваша задача — определить максимально возможную ширину гроба (w), при которой его можно будет внести в склеп. При этом в силу большой массы (чистый мрамор!) гроб оснащен вращающимися колесиками, поэтому его невозможно оторвать от земли, однако он может совершать произвольные перемещения и вращения в рассматриваемой плоскости. Гроб разрешено развернуть произвольным образом и до внесения в склеп и перемещения по коридору.

Гриша пообещал, что если вы поможете ему — он наградит вас бессмертием (интересно, как?), а если нет — то лучше вам не знать, что произойдет...

Входные данные

В первой строке через пробел записаны три целых числа a, b и l из условия задачи (1 ≤ a, b, l ≤ 104).

Выходные данные

Выведите максимально возможную ширину гроба с абсолютной или относительной погрешностью не более 10 - 7, либо сообщение «My poor head =(» (без кавычек), если никакого гроба с заданной длиной и положительной шириной, удовлетворяющего условию задачи, не существует.

Гарантируется, что в случае наличия положительного ответа он окажется не меньше 10 - 7. Все взломы также будут проверяться на соответствие этому условию.

Примечание

В первом примере ответ к задаче ограничен длиной гроба (вспомните — ширина гроба должна быть не больше его длины).

Во втором примере гроб возможно пронести через коридор благодаря вращающимся колесикам: сначала двигаем его одной стороной вперед до тех пор, пока гроб не упрется в стену, затем двигаем перпендикулярно первоначальному направлению движения соседней стороной вперед (вспомните — возможны произвольные перемещения и вращения гроба в плоскости).


Примеры
Входные данныеВыходные данные
1 2 2 1
1.0000000
2 2 2 2
2.0000000
3 2 2 3
1.3284271
4 2 2 6
My poor head =(

time 2000 ms
memory 256 Mb
Правила оформления программ и список ошибок при автоматической проверке задач

Статистика успешных решений по компиляторам
 Кол-во
С++ Mingw-w645
Комментарий учителя